www.blafusel.de


  Home  |   Privat  |   Impressum  |   Bücher  |   Computer  |   Mikrocontroller  |   Misc  |   OBD  |   Forum
Aktuelle Zeit: Dienstag 2. Dezember 2025, 11:20

Alle Zeiten sind UTC + 1 Stunde




Ein neues Thema erstellen Auf das Thema antworten  [ 4 Beiträge ] 
Autor Nachricht
BeitragVerfasst: Sonntag 19. Oktober 2008, 23:33 
Oh, hab ich mir gedacht: "Einer gibt 5, der andere nur 1 Stern".

Das gibt’s doch gar nicht. Ich habe es mir trotzdem gekauft, da die Kombination HW und C-Programmierung mich interessierten.

Ich hab das Buch mal durchgearbeitet und gebe den Erläuterungen beider Rezensoren recht. Welche Punktzahl dies dann für jene bedeutet, ist dann subjektiv.

Positiv fand ich, dass viele Fragen und Stolpersteine im Buch erwähnt wurden, wie z. B.:
9.2.1 volatile: nicht nur wann man es verwenden soll, sondern auch warum, mit Beispielprogramm. Toll
9.2.2 Atomare Datenzugriffe: Wann und warum man den Interrupt sperren muß. Hatte das Problem schon.
10. Timer/Counter: Eigentlich das ganze Kapitel
11. Speicherzugriffe: Zugriff auf Flash habe ich erst gesucht, und hier sind die Lösungen. Sehr gut.
Und die vielen guten Links.

Aber, es sind einfach zu viele Tipp-Fehler im Buch, die z.T. für das Verständnis wichtig sind, und ganz schön verwirren können, wenn sie was Gegensätzliches ausdrücken.
Da ja Elektor ein Verlag für Elektronik ist, dürfte hier nicht intensiv genug gegengelesen worden sein.
Und die Aktualität scheint auch nicht ganz vorhanden zu sein.

Ich habe bei "Tipps vom Autor" nachgeschaut. Aber, da gab es keinen Beitrag zu diesem Buch.

Ein paar Beispiele der Tipp-Fehler:
S.19:
BGA statt richtig BGH (für BallGridArray)
S.139
HD44780 statt HD4470
S.155, 8.
13..260 Fs, wahrscheinlich sind µs gemeint.
S.155, 8.1:
Messgenauigkeit ist eigentlich hier der falsche Begriff. Vielmehr handelt es sich um die Auflösung (resolution)
S.181, 10.1:
muß MC statt FC heißen


Beispiel für Verwirrung durch Tippfehler:
S.36:
Zuerst wird WinAVR20060125 (sicher falsch) zur Verwendung vorgegeben, aber fürs runterladen wird WinAVR20060421 vorgeschlagen.

S.51, Abbildung 2.28 und led.c:
Kommentar falsch. Müsste PORTB statt PORTD heißen.

S.53:
In 12. wird beschrieben, dass OCDEN aktiviert sein muß, in der Abbildung 2.30 ist dies aber nicht erfolgt. Dies ist gerade für Anfänger verwirrend, wenn Text und Abbildung nicht zusammenpassen.

S.57:
4. Zeile: muß Pin22 statt Pin20 heißen.
3. Absatz: 330 bis 1000Ohm ergeben aber nur einen LED-Strom von <= 10mA bei U_LED von 1.7V und Vcc=5V. Andererseits wurde am Anfang des Absatzes erwähnt, dass der MC-Ausgang bis zu 20mA treiben kann.

S.58, Abbildung 3.3:
Der Abblockkondensator ist auf dem Steckboard nicht vorhanden. Wenn es Absicht ist, dann sollte dies wenigstens in 3.1.1 erwähnt werden.

S61:
Warum ein Signalgenerator mit NE555 und Abbildung 3.8 im Buch sind, wenn es gar nicht empfehlenswert ist, verstehe ich nicht.

S119
Pin0 von PORTA müsste es heißen, statt Pin1 von PORTC

S.162: Abbildung 8.4
ist falsch. Die unteren Anschlüsse von 2R müssen nach VCC oder nach GND geschaltet werden. Bei dem Schaltersymbol wird VCC aber entweder zum unteren Anschluss von 2R geschaltet und nach GND, womit VCC kurzgeschlossen würde. Abbildung 8.5 ist dann aber wieder richtig.

S.187, TIMER4:
// PORT B3 … statt B0

S.195, PWM1:
Zeile23: // PB0 als Ausgang, statt PORTB
Zeile 35: (1<<CS02) statt (1<CS02)

S197, 3. Abschnitt, unten:
0…50 statt 0…100


Ein paar Beispiele zur nicht vorhandenen Aktualität:
S.36:
Das Buch kam laut Vorwort im May 2008 raus, und ich verstehe nicht, dass eine uralte WinAVR20060421 vorgeschlagen wird. (zwischenzeitlich kenne ich WinAVR-20071221 und WinAVR-20080610)

S.19:
Dies trifft auch auf die Preise zu. Stand 11/2007

Ein paar Beispiele zur Technik, insbesondere Hardware:
S27:
C2 am Ausgang des Spannungsreglers ist auch erforderlich, um die Schwingneigung zu unterdrücken

S29:
Ganz automotivegerecht ist die Schaltung auch nicht.
Zur Unterdrückung der hochfrequenten Störungen (Testpulse 3a und 3b in Informationsschrift von ST) am Stromversorgungseingang wird meist ein 100nF X7R Kondensator verwendet.

Um die weitere Beschreibung zu verstehen, sah ich bei den Datasheets der Hersteller nach:
National Semiconductor empfiehlt ihn nicht mehr für Neuentwicklungen. (Aktualität!!!)
ONSEMI hat eine gute Beschreibung und auch ein Layoutbeispiel. Hier hätte ich mir einfach im Buch eine angepasste Schaltungsdarstellung gewünscht, wo man die Beschreibung im letzten Absatz leichter nachzuvollziehen ist.

Zu Kapitel 2.4 Programmier-SW: Warum ist nicht das AVR-Studio enthalten. Da es zur Kompilierung sowieso benutzt wird, kann man ja gleich die enthaltene Programmierfunktion auch für ISP benutzen.

S65:
Intel_Hex gibt es auch auf der deutschen Seite unter: http://de.wikipedia.org/wiki/Intel_HEX

S113, Abbildung 5.12:
Verwirrend für mich ist auch, dass GND oben und +VCC0 unten gezeichnet ist. Warum?


Nach oben
  
 
BeitragVerfasst: Sonntag 19. Oktober 2008, 23:37 
Offline

Registriert: Sonntag 19. Oktober 2008, 09:34
Beiträge: 3
Wohnort: Regensburg Umgebung
ge1ge hat geschrieben:
Oh, hab ich mir gedacht: "Einer gibt 5, der andere nur 1 Stern".

Das gibt’s doch gar nicht. Ich habe es mir trotzdem gekauft, da die Kombination HW und C-Programmierung mich interessierten.

Den obigen Beitrag habe ich verfasst, war anscheinend nicht eingeloggt

_________________
Beste Grüße Gerhard
BURCA Wiki .
TIC-Kamerazeitzeiger


Nach oben
 Profil Private Nachricht senden  
 
BeitragVerfasst: Sonntag 26. Oktober 2008, 11:04 
Offline
Administrator
Benutzeravatar

Registriert: Mittwoch 6. Oktober 2004, 09:52
Beiträge: 2130
Zuerst einmal Danke für die ausführliche Rezension. Zu einigen Punkten möchte ich gerne Stellung nehmen:

Anonymous hat geschrieben:
Aber, es sind einfach zu viele Tipp-Fehler im Buch, die z.T. für das Verständnis wichtig sind, und ganz schön verwirren können, wenn sie was Gegensätzliches ausdrücken.
Da ja Elektor ein Verlag für Elektronik ist, dürfte hier nicht intensiv genug gegengelesen worden sein.
Und die Aktualität scheint auch nicht ganz vorhanden zu sein.

Ich habe bei "Tipps vom Autor" nachgeschaut. Aber, da gab es keinen Beitrag zu diesem Buch.


Gerne werde ich auf diesen Beitrag hier verweisen, so daß auch andere Leser davon profitieren.
Zugegeben, es haben sich einige Fehler eingeschlichen. Leider läßt sich dies nicht immer ganz vermeiden, denn einige davon sind auch erst nachträglich bei der Druckaufbereitung entstanden (hierzu zählen vor allem die häufig falschen "µ". Bei einer späteren Neuauflage werden wir uns bemühen, diese zu korrigieren.

Anonymous hat geschrieben:
3. Absatz: 330 bis 1000Ohm ergeben aber nur einen LED-Strom von <= 10mA bei U_LED von 1.7V und Vcc=5V. Andererseits wurde am Anfang des Absatzes erwähnt, dass der MC-Ausgang bis zu 20mA treiben kann.

Der Elektroniker sollte in der Lage sein, den zum LED-Typ passenden R genau auszurechnen. Für alle anderen ist es besser, einen etwas größeren R zu nehmen und so Defekte zu vermeiden. Also kein Tippfehler.

Anonymous hat geschrieben:
S.58, Abbildung 3.3:
Der Abblockkondensator ist auf dem Steckboard nicht vorhanden. Wenn es Absicht ist, dann sollte dies wenigstens in 3.1.1 erwähnt werden.

Er ist vorhanden: Untere Steckreihe rechts neben den linken vier Kabeln.

Anonymous hat geschrieben:
S61:
Warum ein Signalgenerator mit NE555 und Abbildung 3.8 im Buch sind, wenn es gar nicht empfehlenswert ist, verstehe ich nicht.

Es wird nicht gesagt, daß er nicht empfehlenswert ist. Das heißt aber nicht, daß man die Technik nicht kennen sollte. Immerhin unterstützen AVR Signalgeneratoren. Er ist nur (i. d. R.) nicht genau. Hat aber auch den genannten Vorteil, daß er keine Einschwingzeit benötigt.

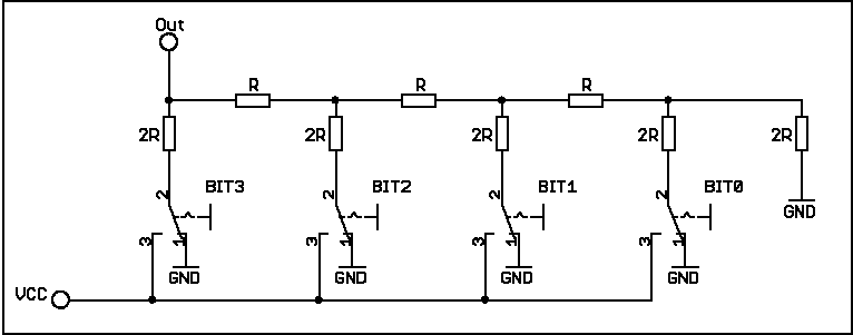
Anonymous hat geschrieben:
S.162: Abbildung 8.4
ist falsch. Die unteren Anschlüsse von 2R müssen nach VCC oder nach GND geschaltet werden. Bei dem Schaltersymbol wird VCC aber entweder zum unteren Anschluss von 2R geschaltet und nach GND, womit VCC kurzgeschlossen würde.

In der Tat, da ist richtig was falsch gelaufen. Anbei eine korrigierte Version.

Anonymous hat geschrieben:
Ein paar Beispiele zur nicht vorhandenen Aktualität:
S.36:
Das Buch kam laut Vorwort im May 2008 raus, und ich verstehe nicht, dass eine uralte WinAVR20060421 vorgeschlagen wird. (zwischenzeitlich kenne ich WinAVR-20071221 und WinAVR-20080610)

S.19:
Dies trifft auch auf die Preise zu. Stand 11/2007

Zwischen dem Schreiben eines Buches und dem Erscheinungstermin liegt nun mal eine gewisse Zeit. Das ist bei jedem Buch so. Ein Buch ist kein Internet und kann nicht ständig aktuell sein.
Es gibt viele Gründe, warum man nicht immer die aktuellste Softwareversion benutzen sollte. Einige stehen hier: http://www.mikrocontroller.net/topic/112478
Es gibt ja auch keinen Grund Windows Vista zu benutzen, nur weil es aktuell ist.
Für aktuelle Hinweise etc. gibt es dann zum Glück Internetforen. Hier und beim Verlag.

Anonymous hat geschrieben:
S27:
C2 am Ausgang des Spannungsreglers ist auch erforderlich, um die Schwingneigung zu unterdrücken

Richtig. Aber irgendwo muß man die Grenze zwischen technischen Details und zielgruppengerechtem Inhalt ziehen.

Anonymous hat geschrieben:
S29:
Ganz automotivegerecht ist die Schaltung auch nicht.
Zur Unterdrückung der hochfrequenten Störungen (Testpulse 3a und 3b in Informationsschrift von ST) am Stromversorgungseingang wird meist ein 100nF X7R Kondensator verwendet.

Mit den Cs kann man es immer auch übertreiben. Es gibt auch Anwender, die nach einem 78xx drei Cs einbauen. Die gezeigte Schaltung ist aber seit langem bewährt und praktiziert. Siehe http://www.dse-faq.elektronik-kompendiu ... q.htm#F.23

Anonymous hat geschrieben:
Um die weitere Beschreibung zu verstehen, sah ich bei den Datasheets der Hersteller nach:
National Semiconductor empfiehlt ihn nicht mehr für Neuentwicklungen. (Aktualität!!!)
ONSEMI hat eine gute Beschreibung und auch ein Layoutbeispiel. Hier hätte ich mir einfach im Buch eine angepasste Schaltungsdarstellung gewünscht, wo man die Beschreibung im letzten Absatz leichter nachzuvollziehen ist.

Trotzdem wird man die Bauteile noch viele Jahre lang im Handel problemlos bekommen. Also warum sollte man sie nicht auch noch nutzen, da sie bewährt sind.

Anonymous hat geschrieben:
Zu Kapitel 2.4 Programmier-SW: Warum ist nicht das AVR-Studio enthalten. Da es zur Kompilierung sowieso benutzt wird, kann man ja gleich die enthaltene Programmierfunktion auch für ISP benutzen.

AVR Studio wird nur für das JTAG Interface genutzt. Und in dem Buch geht es nicht um AVR Studio oder welche Software es sonst noch gibt, sondern um beispielhafte Anwendungen.
Anonymous hat geschrieben:
S65:
Intel_Hex gibt es auch auf der deutschen Seite unter: http://de.wikipedia.org/wiki/Intel_HEX

Ja, aber erst seit dem 9.7.08: http://de.wikipedia.org/w/index.php?tit ... on=history Also weit nach dem Erscheinungszeitpunkt des Buches.

Anonymous hat geschrieben:
S113, Abbildung 5.12:
Verwirrend für mich ist auch, dass GND oben und +VCC0 unten gezeichnet ist. Warum?

Warum nicht? Es ist reine Geschmackssache, wie man einen PNP darstellt. Auch das Web bietet für beide Formen genügend Beispiele.


Dateianhänge:
Dateikommentar: Abbildung 8.4: R2R Netzwerk
r2r.gif [4.63 KiB]
159-mal heruntergeladen
Nach oben
 Profil  
 
BeitragVerfasst: Sonntag 26. Oktober 2008, 23:23 
Offline

Registriert: Sonntag 19. Oktober 2008, 09:34
Beiträge: 3
Wohnort: Regensburg Umgebung
Florian hat geschrieben:
Zuerst einmal Danke für die ausführliche Rezension. Zu einigen Punkten möchte ich gerne Stellung nehmen:

Dank zurück, dass Du auch dazu Stellung nimmst.

Und durch dein Forum, kann man auch die Aktualität erhalten und eventuelle Verständnisfragen klären.

_________________
Beste Grüße Gerhard
BURCA Wiki .
TIC-Kamerazeitzeiger


Nach oben
 Profil Private Nachricht senden  
 
Beiträge der letzten Zeit anzeigen:  Sortiere nach  
Ein neues Thema erstellen Auf das Thema antworten  [ 4 Beiträge ] 

Alle Zeiten sind UTC + 1 Stunde


Wer ist online?

Mitglieder in diesem Forum: 0 Mitglieder und 21 Gäste


Du darfst keine neuen Themen in diesem Forum erstellen.
Du darfst keine Antworten zu Themen in diesem Forum erstellen.
Du darfst deine Beiträge in diesem Forum nicht ändern.
Du darfst deine Beiträge in diesem Forum nicht löschen.
Du darfst keine Dateianhänge in diesem Forum erstellen.

Suche nach:
Powered by phpBB® Forum Software © phpBB Group
Deutsche Übersetzung durch phpBB.de