www.blafusel.de


  Home  |   Privat  |   Impressum  |   Bücher  |   Computer  |   Mikrocontroller  |   Misc  |   OBD  |   Forum
Aktuelle Zeit: Freitag 19. Dezember 2025, 01:44

Alle Zeiten sind UTC + 1 Stunde




Ein neues Thema erstellen Auf das Thema antworten  [ 19 Beiträge ]  Gehe zu Seite 1, 2  Nächste
Autor Nachricht
BeitragVerfasst: Samstag 2. Januar 2016, 12:19 
Offline

Registriert: Donnerstag 24. Dezember 2015, 15:23
Beiträge: 11
Hallo zusammen und erstmal ein frohes neues Jahr,

zuerst als Warnung: Ich bin was das Programmieren angeht eher unerfahren. Habe mittlerweile etwas Erfahrung mit dem Arduino, aber die Trial&Error.

ich habe mir vor ein paar Tagen den WBH-Diag Controller zugelegt, mit dem Ziel mir ein OBD-Display auf Basis eines Arduinos zu bauen.

Habe dann versucht den Controller mittels Arduino auszulesen und mir die Daten auf einem Display anzeigen zu lassen. Das hat erstmal nicht funktioniert, aber irgendwann ging es und ich bekam beim einschalten vom Chip "WBH-Diag Pro v2.0" als einzelne Dezimalzahlen angezeigt. Dann habe ich mich daran gesetzt, das ganze in eine Zeile und im Klartext angezeigt zu bekommen.

Dabei habe ich vergessen, das der Controller an der gleichen seriellen Leitung hing, über die Arduino auch seine Programmdaten empfängt.

Seitdem geht nichts mehr. Der Atmega blinkt zwar wenn ich ihn einschalte ich bekomme aber keine Statusmeldung mehr von ihm.

Ich habe mal ein Bild angefügt, wie das ganz momentan verdrahtet

http://www.freewebs.com/bratwurst2/OBD-Grundsetup.jpg

Als Code benutze ich folgendes:

int A;


void setup() {

Serial3.begin(19200);
Serial.begin(19200);

}

void loop() {

A = Serial3.read();
Serial.println(A);
delay(400);
}



Zurück bekomme ich leider immer nur -1 (keine Daten vorhanden).

Hat irgendwer eine Idee was ich falsch mache, oder warum es auf einmal nicht mehr geht?
Auffällig war noch, dass, wenn der Controller an RX0/TX0 hing (das sind die Leitungen, die dann auch auf USB weitergehen), die LEDs, anfingen zu blinken, wenn ich dem Controller die Spannungsversorgung weggenommen habe.

Ich hoffe das war alles einigermaßen verständlich.

Gruß

Marius


Dateianhänge:
Dateikommentar: OBD Grundsetup, Fahrzeugseite fehlt noch
OBD-Grundsetup.jpg
OBD-Grundsetup.jpg [ 445.14 KiB | 53230-mal betrachtet ]
Nach oben
 Profil Private Nachricht senden E-Mail senden  
 
BeitragVerfasst: Montag 4. Januar 2016, 09:33 
Offline
Administrator
Benutzeravatar

Registriert: Mittwoch 6. Oktober 2004, 09:52
Beiträge: 2131
Wofür soll der 220R sein? TxEnable muß mit VCC verbunden sein.
Dafür hat die LED keinen Vorwiderstand?
Ist TX3 beim Arduino ein Ein- oder Ausgang? dito für RX3
Es wird auch wirklich ein Quarz benutzt?
Am besten mal ein Foto machen.
keine Ahnung, ob das Arduino Board genug Strom liefert.

_________________

:verweis: Alles folgende ist Teil der Antwort und wird oben nicht noch mal explizit wiederholt:

Sieh' in die FAQ! Schaue in die Fahrzeugliste, ob Dein Fahrzeug vorhanden ist. Trage Deine Erfahrungen dort ein und hilf so anderen Nutzern!

Ich freue mich über Infos mit Herstellernummern zu VAG Steuergeräten mit CAN TP 1.6/2.0 oder UDS Protokoll wenn die Pinbelegung (Diagnoseleitungen und Spannungsversorgung) bekannt ist.

Nutze PGP für Deine Emails! (PDF lesen)

Dieser Beitrag kann Werbung enthalten.


Nach oben
 Profil  
 
BeitragVerfasst: Mittwoch 13. Januar 2016, 14:25 
Offline

Registriert: Donnerstag 24. Dezember 2015, 15:23
Beiträge: 11
Hi,

danke erstmal für die Infos. Der 220R ist nur ein Versehen. Da ist eigentlich ein 10kOhm als Pull-down für Tx-Enable

TxEnable muss aber laut Datenblatt an logisch Low, damit er Daten ausgibt !?
Laut Datenblatt kann an den LED-Ausgängen eine LED direkt betrieben werden !?

Die Verbindung zum Terminal funktioniert nun einwandfrei.

Nun zum nächsten Problem.

Wenn ich einen analogen Eingang auslese geht das ohne Probleme. Kommunikation funktioniert also.

Gebe ich den Befehl "ATD01" ein um eine Motor-ECU mit KW1281 anzusteuern hängt sich der Atmega einfach auf.
Er reagiert dann auf keinen weiteren Befehl, bis ich in hart resete.

Habe es sowohl mit Verbindung über L9637D als auch einfach nicht angeschlossenen K-Line Rx und Tx gemacht.
Wenn ich mit dem Osziloskop an den K-Line Tx gehe sehe ich hier, das kein Signal ausgegeben wird.

L-Line ist nicht angeschlossen und wird für das Steuergerät nicht benötigt. Auch die Anschlüsse für den CAN-Bus sind noch nicht belegt.

Freundlicher Gruß

Marius


Nach oben
 Profil Private Nachricht senden E-Mail senden  
 
BeitragVerfasst: Donnerstag 14. Januar 2016, 09:52 
Offline
Administrator
Benutzeravatar

Registriert: Mittwoch 6. Oktober 2004, 09:52
Beiträge: 2131
Ich rate hier nicht rum. Ein Schaltplan ist unumgänglich!
Datenleitungen brauchen kein Pull-Up. Direkt ansteuern einer LED bedeutet nur, daß die Last getrieben werden kann, nicht, daß auf einen Vorwiderstand verzichtet werden kann.

_________________

:verweis: Alles folgende ist Teil der Antwort und wird oben nicht noch mal explizit wiederholt:

Sieh' in die FAQ! Schaue in die Fahrzeugliste, ob Dein Fahrzeug vorhanden ist. Trage Deine Erfahrungen dort ein und hilf so anderen Nutzern!

Ich freue mich über Infos mit Herstellernummern zu VAG Steuergeräten mit CAN TP 1.6/2.0 oder UDS Protokoll wenn die Pinbelegung (Diagnoseleitungen und Spannungsversorgung) bekannt ist.

Nutze PGP für Deine Emails! (PDF lesen)

Dieser Beitrag kann Werbung enthalten.


Nach oben
 Profil  
 
BeitragVerfasst: Donnerstag 14. Januar 2016, 16:32 
Offline

Registriert: Donnerstag 24. Dezember 2015, 15:23
Beiträge: 11
Der Aufbau sieht jetzt wie folgt aus. (Kleine Anpassungen anhand deiner Angaben).

Dateianhang:
OBD-Breadboard.jpg
OBD-Breadboard.jpg [ 396.71 KiB | 53194-mal betrachtet ]


An der LED bitte gedanklich ein Vorwiderstand dazu-denken. Den habe ich wegen der Übersichtlichkeit jetzt weggelassen.
Die beiden 1kOhm Widerstände bilden den 510Ohm Widerstand aus dem Schaltbild.


Verhalten ist nach wie vor das gleiche.

Sende ich "ata0" an den Atmega bekomme ich einen Int Wert zurück.

Sende ich "atd01" reagiert der Atmega auch nach 5 Minuten Wartezeit auf nichts mehr.

Sende ich "atd0a" (was laut Liste nicht zugeordnet ist) bekomme ich nach ca. 40 Sekunden eine ERROR-Meldung.

Bei allen anderen Befehlen laut Liste, hängt sicher der Atmega auf, auch wenn die Rx/Tx Pinne nicht belegt sind.

Habe das gleiche auch schon per Terminal gemacht (dann ist der Arduino nur zur Spannungsversorgung da). Selbes Ergebnis.
Gruß

Marius


Nach oben
 Profil Private Nachricht senden E-Mail senden  
 
BeitragVerfasst: Freitag 15. Januar 2016, 14:20 
Offline
Administrator
Benutzeravatar

Registriert: Mittwoch 6. Oktober 2004, 09:52
Beiträge: 2131
Florian hat geschrieben:
Ein Schaltplan ist unumgänglich!

_________________

:verweis: Alles folgende ist Teil der Antwort und wird oben nicht noch mal explizit wiederholt:

Sieh' in die FAQ! Schaue in die Fahrzeugliste, ob Dein Fahrzeug vorhanden ist. Trage Deine Erfahrungen dort ein und hilf so anderen Nutzern!

Ich freue mich über Infos mit Herstellernummern zu VAG Steuergeräten mit CAN TP 1.6/2.0 oder UDS Protokoll wenn die Pinbelegung (Diagnoseleitungen und Spannungsversorgung) bekannt ist.

Nutze PGP für Deine Emails! (PDF lesen)

Dieser Beitrag kann Werbung enthalten.


Nach oben
 Profil  
 
BeitragVerfasst: Dienstag 19. Januar 2016, 11:53 
Offline

Registriert: Donnerstag 24. Dezember 2015, 15:23
Beiträge: 11
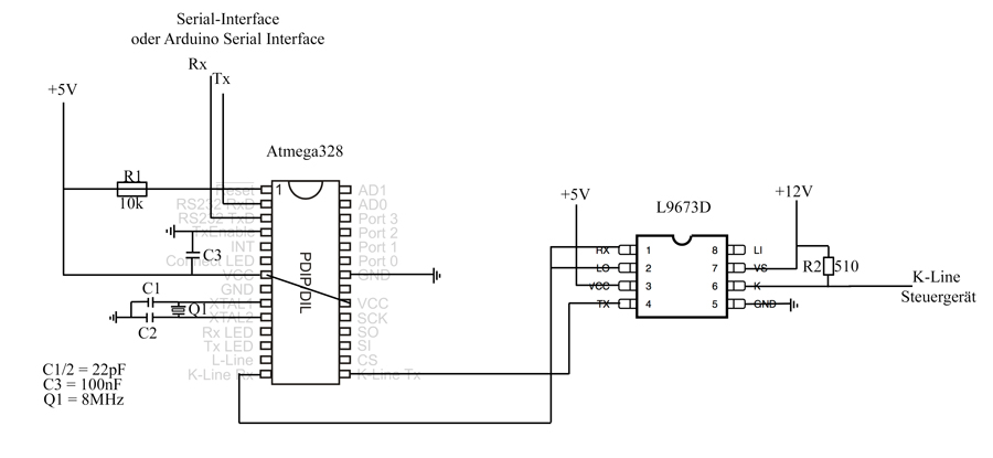
Hier der Schaltplan,

Dateianhang:
OBD-Schaltplan.jpg
OBD-Schaltplan.jpg [ 63.17 KiB | 53165-mal betrachtet ]


Zur Übersicht habe ich wieder die LEDs weggelassen.

Ich versuche ein Steuergerät mit KW1281 und nur einer K-Line anzusteuern. Daher wurden die Ausgänge für CAN und die L-Line erstmal nicht beschaltet.
Gruß

Marius


Nach oben
 Profil Private Nachricht senden E-Mail senden  
 
BeitragVerfasst: Dienstag 19. Januar 2016, 12:13 
Offline
Administrator
Benutzeravatar

Registriert: Mittwoch 6. Oktober 2004, 09:52
Beiträge: 2131
So sieht man doch auch was ;-)
LI am 9637 muß an VBatt.
Immer alle GNDs am Atmega verbinden

_________________

:verweis: Alles folgende ist Teil der Antwort und wird oben nicht noch mal explizit wiederholt:

Sieh' in die FAQ! Schaue in die Fahrzeugliste, ob Dein Fahrzeug vorhanden ist. Trage Deine Erfahrungen dort ein und hilf so anderen Nutzern!

Ich freue mich über Infos mit Herstellernummern zu VAG Steuergeräten mit CAN TP 1.6/2.0 oder UDS Protokoll wenn die Pinbelegung (Diagnoseleitungen und Spannungsversorgung) bekannt ist.

Nutze PGP für Deine Emails! (PDF lesen)

Dieser Beitrag kann Werbung enthalten.


Nach oben
 Profil  
 
BeitragVerfasst: Dienstag 19. Januar 2016, 13:08 
Offline

Registriert: Donnerstag 24. Dezember 2015, 15:23
Beiträge: 11
Hi,

habe Li auf VBat gelegt. Das GND hatte ich vergessen einzuzeichnen. Ist natürlich angeschlossen, sonst hätte der gesamte ATmega ja nicht funktioniert.

Das Problem ist leider das gleiche:

Er reagiert auf Abfragen der Analog-Input. Gebe ich "atd01" ein um eine Verbindung zum Motorsteuergerät aufzubauen hängt er sich auf und reagiert bis zum hard-reset auf nichts mehr. Auch wenn ich die Rx und Tx Ausgänge unbeschaltet lasse.

Hier mal ein Bildschirmfoto der Eingabe und Ausgaben im Terminal.

Dateianhang:
Bildschirmfoto 2016-01-19 um 13.05.53.png
Bildschirmfoto 2016-01-19 um 13.05.53.png [ 113.35 KiB | 53160-mal betrachtet ]


Nach dem eingeben von "atd01" habe ich ca. 5 Minuten bis zu "ata0" gewartet.
Gruß

Marius


Nach oben
 Profil Private Nachricht senden E-Mail senden  
 
BeitragVerfasst: Dienstag 19. Januar 2016, 20:27 
Offline
Administrator
Benutzeravatar

Registriert: Mittwoch 6. Oktober 2004, 09:52
Beiträge: 2131
Masse VBatt 12 V und VCC 5 V sind verbunden?
Was machen die LEDs?

_________________

:verweis: Alles folgende ist Teil der Antwort und wird oben nicht noch mal explizit wiederholt:

Sieh' in die FAQ! Schaue in die Fahrzeugliste, ob Dein Fahrzeug vorhanden ist. Trage Deine Erfahrungen dort ein und hilf so anderen Nutzern!

Ich freue mich über Infos mit Herstellernummern zu VAG Steuergeräten mit CAN TP 1.6/2.0 oder UDS Protokoll wenn die Pinbelegung (Diagnoseleitungen und Spannungsversorgung) bekannt ist.

Nutze PGP für Deine Emails! (PDF lesen)

Dieser Beitrag kann Werbung enthalten.


Nach oben
 Profil  
 
BeitragVerfasst: Mittwoch 20. Januar 2016, 16:05 
Offline

Registriert: Donnerstag 24. Dezember 2015, 15:23
Beiträge: 11
Hi,

ja, Masse ist verbunden.

Sende ich "atd01", tun die LEDs nichts und der ATmega hängt sich auf.

Sende ich "atd0a" (was laut Liste nicht zugeordnet ist) blinkt die LED in ca. 7 Sekunden Abstand 4 mal kurz auf. nach ca. 30-40 Sekunden bekomme ich dann eine Error Meldung.
Gruß

Marius


Nach oben
 Profil Private Nachricht senden E-Mail senden  
 
BeitragVerfasst: Donnerstag 21. Januar 2016, 07:11 
Offline
Administrator
Benutzeravatar

Registriert: Mittwoch 6. Oktober 2004, 09:52
Beiträge: 2131
Hm.
Ich bin gerade unsicher, was die Ansteuerung von LI angeht. Die Leitung wird ja gegen Masse gezogen bei der Initialisierung der Verbindung. Habe das vermutlich nie ohne genutzt. Müßte ins Datenblatt schauen, ob sich das auf irgendwas auswirkt. Einfach mal die Beschaltung mit dem Transistor gemäß Datenblatt WBH-Diag Pro aufbauen und probieren.

_________________

:verweis: Alles folgende ist Teil der Antwort und wird oben nicht noch mal explizit wiederholt:

Sieh' in die FAQ! Schaue in die Fahrzeugliste, ob Dein Fahrzeug vorhanden ist. Trage Deine Erfahrungen dort ein und hilf so anderen Nutzern!

Ich freue mich über Infos mit Herstellernummern zu VAG Steuergeräten mit CAN TP 1.6/2.0 oder UDS Protokoll wenn die Pinbelegung (Diagnoseleitungen und Spannungsversorgung) bekannt ist.

Nutze PGP für Deine Emails! (PDF lesen)

Dieser Beitrag kann Werbung enthalten.


Nach oben
 Profil  
 
BeitragVerfasst: Donnerstag 21. Januar 2016, 19:22 
Offline

Registriert: Donnerstag 24. Dezember 2015, 15:23
Beiträge: 11
Hi,

danke erstmal für deinen langen Atem.

Hab das gerade mit einem BC547B (nicht-SMD Variante vom BC847, ansonsten sind die identisch) nachgebaut. Leider keine Änderung :wall:

Gebe ich "atd01" ein stürzt der ATmega ab. Auf alles andere reagiert er einwandfrei.
Gruß

Marius


Nach oben
 Profil Private Nachricht senden E-Mail senden  
 
BeitragVerfasst: Freitag 22. Januar 2016, 13:17 
Offline
Administrator
Benutzeravatar

Registriert: Mittwoch 6. Oktober 2004, 09:52
Beiträge: 2131
Wie verhält sich der WBH, wenn keine Verbindung zum 9637 besteht?

_________________

:verweis: Alles folgende ist Teil der Antwort und wird oben nicht noch mal explizit wiederholt:

Sieh' in die FAQ! Schaue in die Fahrzeugliste, ob Dein Fahrzeug vorhanden ist. Trage Deine Erfahrungen dort ein und hilf so anderen Nutzern!

Ich freue mich über Infos mit Herstellernummern zu VAG Steuergeräten mit CAN TP 1.6/2.0 oder UDS Protokoll wenn die Pinbelegung (Diagnoseleitungen und Spannungsversorgung) bekannt ist.

Nutze PGP für Deine Emails! (PDF lesen)

Dieser Beitrag kann Werbung enthalten.


Nach oben
 Profil  
 
BeitragVerfasst: Freitag 22. Januar 2016, 13:48 
Offline

Registriert: Donnerstag 24. Dezember 2015, 15:23
Beiträge: 11
Hi,

exakt das gleiche Verhalten. Also stürzt auch ab.
Gruß

Marius


Nach oben
 Profil Private Nachricht senden E-Mail senden  
 
Beiträge der letzten Zeit anzeigen:  Sortiere nach  
Ein neues Thema erstellen Auf das Thema antworten  [ 19 Beiträge ]  Gehe zu Seite 1, 2  Nächste

Alle Zeiten sind UTC + 1 Stunde


Wer ist online?

Mitglieder in diesem Forum: 0 Mitglieder und 45 Gäste


Du darfst keine neuen Themen in diesem Forum erstellen.
Du darfst keine Antworten zu Themen in diesem Forum erstellen.
Du darfst deine Beiträge in diesem Forum nicht ändern.
Du darfst deine Beiträge in diesem Forum nicht löschen.
Du darfst keine Dateianhänge in diesem Forum erstellen.

Suche nach:
Powered by phpBB® Forum Software © phpBB Group
Deutsche Übersetzung durch phpBB.de